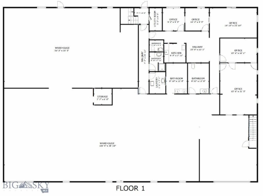
Large warehouse/office building in convenient location just off Griffin Drive. The building layout is a combination +/-6,000 SF of warehouse space on the main level, primarily open with high ceilings, a grade level overhead door, as well as a loading dock, and several man doors. There is also +/-2,000 SF of office on the main level. The office space has a showroom area, three offices, a conference room and a kitchenette. The second floor is an additional +/-2,000 SF of nice office space with six offices, a conference room and kitchenette. Due to the location of entrances, restrooms, and layout this building could be easily demised into a multitude of different options beyond one end user. The .704 acre lot allows for extra space for truck parking, yard space, etc. Worth taking a look at this property to envision the possibilities! MLS# 408964
Property Area: 1NE - Boz N of Main/E of 19th
-
SQ FOOTAGE
9876
-
ACRES
0.704
-
LIST DATE
2026-03-02
- Price: $2,475,000
- Status: Active
- Type: Building,Commercial
- MLS: 408964
- Zip: 59715
- Property Area: 1NE - Boz N of Main/E of 19th
- Acres: 0.704
- Square Feet: 9876
- Heating/Cooling:
- Listing Date: 2026-03-02
- Listing Agent: Tom Starner of Starner Commercial Real Estate




















